Logic ICs (integrated circuits) are the tiny decision-makers of the electronic world. Each logic IC is a small silicon chip that contains digital logic gates – circuits that take 0/1 (false/true) input signals and produce 0/1 outputs. Think of a logic chip as a smart Lego block: you plug in some wires (inputs) and the chip “decides” a new state on its output wires according to a simple rule. For example, an AND gate IC will light up its output (1) only if both inputs are 1; an OR gate IC lights up if either input is 1; a NOT gate (inverter) IC simply flips a 1 to 0 or 0 to 1. Even very old-school chips do these basic yes/no decisions at lightning speed.
Logic ICs come in neat packages, usually with two rows of pins (called Dual In-line Packages or DIPs) that plug into solderless breadboards or circuit boards. Each pin might be a power pin (to supply voltage) or a logic input/output pin. For example, a classic 7400-series chip might have 14 pins: 4 separate gates (with 2 inputs each) inside one chip. These gates process signals at voltages near 0V (false/0) or a few volts (true/1) – typically 5V for old TTL chips or 3–15V for many CMOS chips. When you give a logic chip the correct power (e.g. +5V and ground) and connect its inputs and outputs appropriately, it acts like a tiny black-box logic puzzle solver on your circuit.
In everyday language, you can think of logic ICs as tiny electronic judges. They look at switches or sensors (inputs) and decide what to do next (outputs) according to fixed rules. They do not care about analog details like a light dimmer; they only recognize “ON” versus “OFF.” Because of this, logic ICs are the foundation of all digital electronics, from blinking LED patterns to the brains of computers and smartphones.
Basic logic gates
Some fundamental logic gates and their “rules” are:
- AND ( ∧ ) – output = 1 only if all inputs are 1. (Like two friends both saying “yes.”)
- OR ( ∨ ) – output = 1 if at least one input is 1. (One friend or the other says “yes.”)
- NOT (¬) – output = inverse of input. 0 becomes 1, 1 becomes 0 (like saying “no” instead of “yes”).
- NAND – output = 0 only if all inputs are 1 (basically an inverted AND).
- NOR – output = 1 only if all inputs are 0 (an inverted OR).
- XOR – exclusive OR: output = 1 if an odd number of inputs are 1 (for two inputs, it’s 1 when inputs differ).
- XNOR – inverted XOR: output = 1 if inputs are the same.
These can be summarized in a truth table or a simple analogy. For instance, an AND gate is like a vending machine that only dispenses a snack when two coins are inserted (both inputs are 1). A NOT gate is like a light switch that sends the opposite of whatever it gets: if you flip it up (send 1), the light turns off (output 0).
Together, these logic gates in an IC combine like simple sentences, letting you build complex decisions (circuits) piece by piece. Even a complex function like adding two binary numbers can be built by combining many AND, OR, and NOT gates. By learning how to mix these logic chips, you can make counters, memory bits, alarm sensors, and all kinds of digital functions.

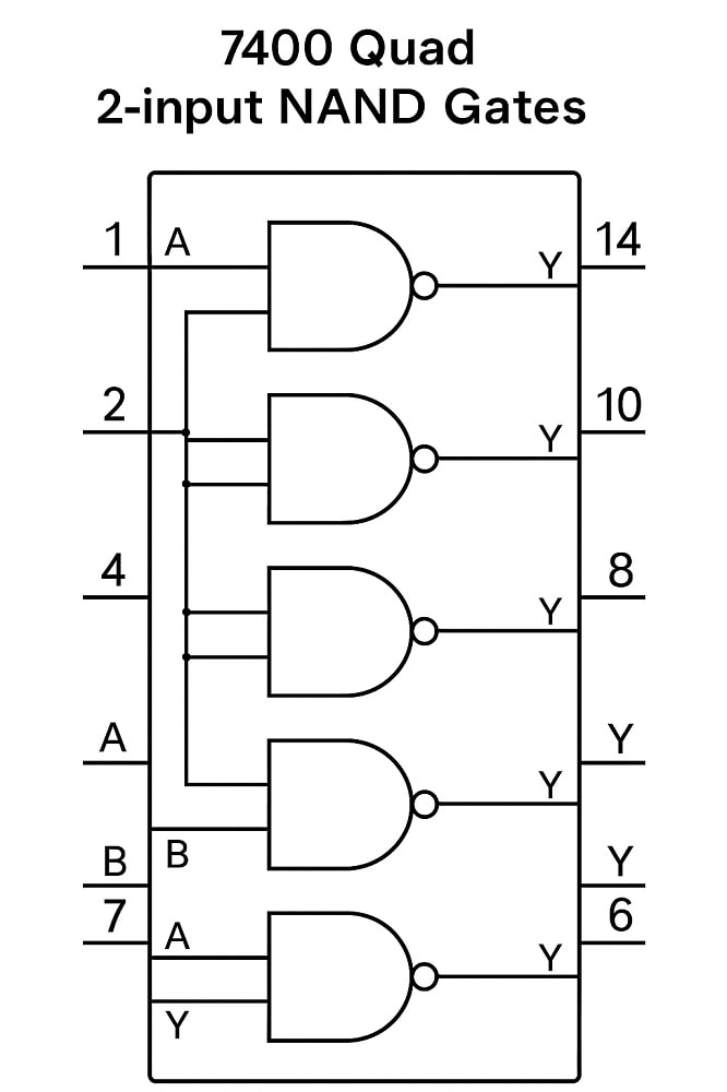
Figure: Inside a 7400-series logic IC. This diagram shows a 14‑pin DIP chip (“7400 Quad 2-input NAND Gates”) containing four 2-input NAND gates. Each gate has two inputs (labeled A and B) and one output (Y). Chips like this pack multiple basic logic gates into one package for use in circuits.
A Quick History: How We Got Here
Digital logic ICs have a surprisingly rich backstory. Imagine the early days of electronics: before chips, engineers used bulky vacuum tubes or glass relays to build computers. In the 1950s the invention of the transistor was a game-changer – suddenly you could make electronics smaller, but circuits were still individual components wired together. Then in 1958-59 integrated circuits (ICs) were born (thanks to inventors Jack Kilby and Robert Noyce). An IC is basically a tiny piece of silicon that can hold hundreds or thousands of transistors. By the early 1960s, engineers started designing ICs specifically for digital logic.
The first wave of logic ICs were built using technologies like RTL (resistor-transistor logic) and DTL (diode-transistor logic), but these were soon eclipsed by TTL (Transistor-Transistor Logic) in the mid-1960s. TTL uses bipolar transistors to implement gates, and it was very popular. In 1963, Sylvania and Texas Instruments introduced the first commercial TTL chips, and in a few years the famous “7400 series” TTL chips became the standard. For many decades, 74xx TTL chips powered everything from calculators to rocket controls! Museums (and even early personal computers like the Kenbak-1) show just how fast engineers packed digital brains using boards full of TTL chips. Meanwhile, even earlier CMOS (Complementary MOS) technology was also being developed. In 1968, RCA introduced the first CMOS logic family (the 4000 series). CMOS gates use MOSFET transistors in pairs (one N-type and one P-type) and have the big advantage of very low static power draw. CMOS chips became common in the 1970s and beyond, especially as the need for very large-scale integration grew (e.g. microprocessors and memory chips, which are CMOS-based).
As manufacturing improved, logic ICs kept evolving. In the 1970s and 1980s, you saw new “sub-families” like Schottky TTL (faster but hungry for power), low-power TTL, and various LS (low-power Schottky) and LS-TTL enhancements. The 4000-series CMOS got faster, and new “74HC” (High-speed CMOS) families appeared, blending the speed of TTL with the low power of CMOS. By the 1990s and 2000s, even fancier families like 74HCT, 74LVC, 74AC, and BiCMOS chips were common, optimized for modern needs like 3.3V operation, very low voltage, or ultra-high speed.
Through all this, the role of logic ICs shifted. Today, instead of sewing together boards of 74xx chips, most digital brains live on a single chip (like a microcontroller or FPGA). But logic ICs didn’t disappear – they became glue logic (tiny helpers tying bigger chips together) or remained popular in hobby electronics. TTL and CMOS gates are still used by makers for tasks like buffering signals, simple timing, or vintage computer projects. The methods haven’t changed: we still wire gates into breadboards, but now they share space with USB ports and LEDs rather than punch cards and switches.
Types of Logic ICs (Combinational, Sequential, Specialized)
Logic ICs can be grouped by what they do with input bits:
- Combinational logic ICs: These chips contain gates whose output depends only on the current inputs, not on any past history. Examples include gates (AND, OR, NOT, NAND, etc.), multiplexers, decoders, adders, and comparators. If you wire inputs A and B to a combinational chip, the outputs will instantly reflect the logical function of A and B. There’s no memory – it’s like a food mixer that instantly gives output based on the ingredients you just added. Common examples are the 7408 (AND gates), 7432 (OR gates), 7486 (XOR gates), 74157 (multiplexer), or 74283 (4-bit adder).
- Sequential logic ICs: These have memory. Their outputs depend not only on the current inputs, but also on previous inputs (states). They include flip-flops, latches, counters, registers, and state machines. You can think of them as tiny switches that remember: if you press a button (input) several times in sequence, the chip’s state changes step by step. For example, a flip-flop (like the 74LS74) can store a single bit (0 or 1) and change it when a clock or trigger signal arrives. Counters (e.g. 74HC161) can count pulses and output the count in binary form. These chips are used when you need memory or timing sequences. They operate like combination of gates plus feedback loops.
- Specialized or “application-specific” logic ICs: These are purpose-built chips that combine many gates to do a specific task. For instance, arithmetic logic units (ALUs), digital-to-analog converters, encoders/decoders, drivers, and even whole CPUs or microcontrollers fall in this broad category. You might think “a microcontroller is not really a simple logic chip,” but fundamentally it is a collection of logic gates and memory on one chip. Other specialized logic ICs include devices for interface (like UART chips), clock generation (timers like the 555, which is analog but often used with logic circuits), or LED drivers. The boundary can blur: nowadays an FPGA (field-programmable gate array) is a very large logic IC that you program with your own combination of gates and flip-flops.
A helpful way to organize it is: combination: think “instant math function”, sequential: think “algorithmic step-by-step”, and specialized: think “one chip does one big job (like compute sum, drive display, or decode signals)”. Together these types cover virtually every digital device out there. Even a smartphone is built from countless layers of these concepts at microscopic scale.
Logic Families: TTL, CMOS, and More
Not all logic ICs are built the same way internally. Over the years, manufacturers have grouped chips into logic families. A family shares a common technology and set of electrical rules (voltage levels, speed, power, pin-compatibility, etc.). The two historically dominant families are TTL (Transistor-Transistor Logic) and CMOS (Complementary MOS). Each has many sub-families and modern cousins. Here’s a quick rundown of the major ones:
- TTL (74xx series): This family uses bipolar junction transistors internally. Classic TTL parts use +5V supply, and were introduced in the 1960s. Sub-families include 74LS (Low-power Schottky), 74ALS, 74F (Fast), 74H (High-speed), 74AS (Advanced Schottky), and low-voltage variants (74LV). TTL chips are fast and robust but consume more power. A 74LSXX chip might draw a few milliamps per gate. TTL has a long legacy: parts like the 7400 NAND, 7404 inverter, 74132 NOR, etc., can still be bought.
- CMOS (4000 and 74HC/74AC series): These use complementary MOSFET transistors and were introduced in the late 1960s. They usually run from 3V up to 15V (though most modern ones use 3–5V). The original “4000 series” (CD4001, CD4011, etc.) has very low static power draw and broad voltage range but was slower (microsecond-scale switching). Later families like 74HC00 (High-speed CMOS, 2–6V) and 74HCT (HC with TTL-compatible inputs) combined CMOS efficiency with higher speed and TTL-level thresholds. Other modern ones are 74AHC, 74ACT, 74LVC (low-voltage CMOS, 1.8–5V), etc. CMOS chips usually only draw significant power when switching, so idle current is tiny – making them ideal for battery-operated devices. They also pack more gates per chip (higher density) and can drive more loads (higher fan-out).
- BiCMOS: A hybrid of bipolar (like TTL) and CMOS on the same chip. Provides moderate speed and power advantages, often used in very high-speed logic and analogue mixing. Not usually encountered by hobbyists as separate chips (more an internal technology).
- ECL (Emitter-Coupled Logic): A very fast but power-hungry bipolar family that uses a constant current with transistors biased so they never saturate. You’ll mostly see ECL in old mainframe/supercomputer designs or specialised high-speed modules. For most practical purposes, ECL chips are rare and use exotic voltages (like –5.2V!) and are quite delicate.
- RTL/DTL: These were early families (resistor-transistor and diode-transistor logic). You won’t typically see commercial chips labeled RTL/DTL now, but these were stepping stones to TTL.
- Current-bias logic / LV: Various low-voltage logic types (like LVTTL, LVCMOS). These are designed to work at 3.3V, 2.5V, etc., for modern microcontrollers.
Each family has standard naming (like 74xx, 40xx, CD45xx, etc.) and typical voltage specs. For instance, TTL (74LS) expects a +5V supply, with a “high” input guaranteed above ~2.4V and “low” below ~0.8V. CMOS (74HC with Vcc=5V) expects a “high” above ~3.5V, “low” below ~1.5V. Some CMOS will even run on 5V or 3.3V depending on variant. The lesson: check the datasheet! Families differ in what voltages they need and what “counts” as a high or low.
Here’s a comparison of key properties of TTL vs CMOS chips:
| Property | TTL (e.g. 74LSxx) | CMOS (e.g. CD4xxx / 74HCxx) |
| Supply voltage (Vcc) | Usually +5V (some TTL-LV at 3.3V) | Wide range: often 3–15V (common 5V or 3.3V) |
| Input threshold | “High” typically >2V, “Low” <0.8V | (5V supply) “High” >3.5V, “Low” <1.5V; (3V supply) ~2V/1V |
| Output levels | “High” ≈3.5–5V (sinks to GND on low) | Rail-to-rail (0V or Vcc), strong “High” at Vcc, “Low” at 0V |
| Power consumption | Higher static draw (~mA per gate) | Very low static (µA); power mainly when switching |
| Speed | Fast (ns range); LS ~10ns gate delay | 4000-series slow (~1000ns); 74HC faster (~10ns) |
| Fan-out (driving load) | ~10 TTL inputs | Dozens of CMOS inputs (dependent on type) |
| Noise sensitivity | Less sensitive to static (robust) | More sensitive to static discharge (especially older CMOS) |
| Package choices | DIP, SOIC, etc. | DIP, SOIC, SMD (more low-voltage versions) |
| Typical use cases | Computers (pre-90s), robotics, TTL logic projects | Battery devices, Microcontrollers interface, and glue logic in modern boards |
In practice, the TTL 74xx families dominated early digital circuits, while CMOS took over once power efficiency and flexibility became key. Modern logic IC lines (74HC, 74HCT, 74LVC, etc.) are all CMOS under the hood, with some made TTL-compatible. When building a circuit, you might mix and match families, but you must respect their voltage rules. Often you’ll see notes like “TTL-compatible input” meaning you can safely feed a signal from a TTL output into that CMOS chip without additional adapters.
An analogy: TTL chips are like sturdy gasoline cars – fast and tough, but burning more fuel (power). CMOS chips are like electric cars – they sip very little power when “coasting” (idle) and still can drive fast when needed (especially modern versions). BiCMOS would be a hybrid car – getting some of the benefits of both. And ECL… well, imagine a race car that needs a special fuel and cooling (it’s extremely fast but very demanding).
TTL vs CMOS: What’s the Difference?
This deserves a spotlight since “TTL vs. CMOS” is a classic question. Let’s highlight the practical differences in plain language:
- Power Usage: CMOS chips win big here. A CMOS gate barely uses power when idle – think of it like a light that stays off until you flip it (so no waste). In contrast, TTL gates draw current constantly to stay biased (like a light bulb that glows a bit even when dimmed). For example, a single CMOS inverter might draw microamps, whereas a TTL inverter might draw milliamps. This means CMOS is great for battery-powered gadgets.
- Supply Voltage: TTL likes +5V (with very tight tolerances). If you feed a TTL chip 3.3V only, it might not register “1” reliably. CMOS often tolerates a wide range. Some 4000-series parts run from 5V up to 15V (handy for interfacing with different levels), while many modern 74HC/74HCT parts work at 5V or 3.3V. But be careful: CMOS chips do have a minimum voltage (often around 3V for 74HC). Always match the Vcc to the chip’s rating.
- Speed: Early CMOS (4000-series) was slower than TTL, so folks used TTL for speed-critical tasks. Nowadays advanced CMOS families (74HC, 74HCT, 74AC, etc.) are as fast or faster than standard TTL. There are even ultra-fast CMOS variants (74AC series). So today, for typical hobby projects, CMOS is usually plenty fast (propagation delays in a few to tens of nanoseconds). TTL LS was typically ~10ns, comparable to 74HC.
- Output drive and Levels: TTL outputs usually can’t drive to the full 5V (pull-up is through a transistor), and their thresholds are “asymmetrical”. CMOS outputs can usually swing from 0 to exactly Vcc, giving a full voltage swing. Also, CMOS inputs can handle many more fan-in/fan-out since they draw so little current. If you wire ten outputs to one TTL input (fan-in) it may not work well; CMOS inputs are very high impedance (like an open door).
- Static Sensitivity: A big practical note: classic CMOS parts (especially older ones) can be destroyed by static electricity if mishandled, because their MOSFET gates are very thin. TTL chips are generally tougher. In practice, always ground yourself (or touch ground) before handling any ICs, but especially CMOS.
- Typical Families and Labels: A quick cheat-sheet:
- Anything 74HCxx or CD4xxx is CMOS. 74HC needs 2–6V, CD4000 usually 3–15V (exact range depends on subfamily).
- Anything 74HCTxx is CMOS with TTL input levels (useful to mix with TTL 5V signals).
- 74LSxx or plain 74xx typically means classic TTL (5V).
- 74LV, 74LVC, 74AVR (some vendors) means low-voltage CMOS (1.8–3.3V).
- 74ACT or 74AC means advanced CMOS (faster, 5V).
- Power-Up Behavior: Another practical tip: old TTL 74xx chips can have unpredictable output states when first powered until their inputs settle. Some even need pull-downs on inputs. CMOS chips usually power up more quietly, but still avoid leaving inputs floating.
In short: CMOS generally offers more modern advantages (low power, flexible voltage, high gate count) while TTL chips are classic, sometimes more bulletproof, and may still be on old stock for legacy equipment. In hobby electronics, CMOS 74HC and 74HCT parts have become the default because they can run on 3.3V microcontroller systems, use less power, and because the original TTL family hasn’t been used in new designs for years.
Where Logic ICs Are Used Today
You might think, “aren’t logic ICs just ancient history now?” – far from it! Logic chips are everywhere in modern life, even if you don’t see them. They hide inside devices we use every day. Here are some common places you’ll find logic ICs:
- Electronics Projects and DIY: Hobbyists and makers use logic chips for prototyping. For instance, you might use a 74HC595 shift register to expand Arduino outputs, or a 74HC14 Schmitt inverter to clean up a noisy sensor signal. Simple robots might use logic gates for motor control logic or sensor thresholds. Because they are easy to wire on breadboards, logic ICs remain popular in learning and prototyping kits.
- Computers and Motherboards: Even though CPUs and RAM hold the main logic, motherboards and circuit boards have “glue logic” chips. These manage address decoding, buffering signals, and interfacing different voltage levels. For example, level-shifter ICs (like 74LVC or specialized buffers) help connect a 3.3V peripheral to a 5V bus. Logic chips also exist in older computer design; in vintage PCs or retro consoles, you might find rows of 74xx TTL chips for video timing or CPU glue.
- Consumer Electronics: TVs, microwaves, game consoles, and so on all have digital control circuits. A modern TV might use a microcontroller to do most logic, but it still might include discrete logic chips for LED drivers or touch panel scanning. Digital watches or simple calculators often use logic ICs (or micros) at their heart. Even little things like a thermostat or alarm system use flip-flops and gates to latch states and handle inputs.
- Automotive and Appliances: Car electronics often include logic ICs in engine control units (ECUs) and digital dashboards. Key fob receivers, parking sensors, and dashboard displays are often built around microcontrollers (which contain internal logic) and driver chips (which are logic ICs). Home appliances (washing machines, ovens) have digital controls too – a microcontroller plus a few discrete logic chips for input handling or safety interlocks.
- Networking and Communication: Routers, modems, and radios have digital front-ends. Shift registers, multiplexers, and serializers (all logic functions) handle data routing. FPGAs (programmable logic) are a modern form of logic IC used in high-end networking gear.
- Industrial and Robotics: Assembly line controllers, PLCs (programmable logic controllers), and industrial sensors often use logic ICs for timing, counters, and signal gating. Logic levels decide things like “if conveyor sensor A is triggered AND safety switch B is ON, then run the motor.”
- Gaming and Entertainment: Retro gaming consoles (like NES, Sega, etc.) are built with either discrete logic or on-chip logic, but fans building retro hardware clone boards often use logic ICs. Even pinball machines use logic boards for scoring, often now with modern replacements using microcontrollers but sometimes still older logic chips.
- Education: Schools and universities use logic chips to teach digital design. Kits and lab experiments often include TTL or CMOS ICs so students can wire up AND/OR circuits, adders, or flip-flops on breadboards.
So yes, logic ICs are alive and well. However, it’s true that many complex products now fold logic into microcontrollers and custom ICs. But because logic chips are cheap and easy, they survive wherever you need a simple, reliable digital function. You’ll even find logic ICs on small breakout boards or as part of modules (for example, a board that handles keypad scanning might really just be a few logic chips under the hood).
Real-world analogy: logic ICs in devices today are like the salt of the electronics world – you may not notice them, but they’re sprinkled throughout recipes to make the whole thing work correctly. Without them, your toaster or camera wouldn’t be nearly as smart.
How to Use Logic ICs in Circuits (Datasheets, Wiring, Voltage, Timing, Interfacing)
Once you have a grasp of what logic ICs are and what families they belong to, the next step is using them. Here are some key practical tips for wiring and working with logic chips:
- Read the Datasheet – Seriously, this is gold. A logic IC’s datasheet (often available as a PDF from the manufacturer or distributor site) tells you everything about power pins, input thresholds, output capabilities, timing, and pinouts. Before plugging in a chip, check which pin is Vcc (power) and which is GND (ground) and never swap them. The datasheet also shows the internal diagram and truth table.
- Power and Ground First – On a breadboard, wire the Vcc and GND pins of the chip to your power rails before making other connections. Many logic chips have pin 14 = Vcc and pin 7 = GND (on 14-pin DIPs), but not always. Also add a de-coupling capacitor (0.01µF to 0.1µF) right across Vcc and GND pins of the chip to smooth out brief current spikes. This is like giving the chip a tiny battery next to it to handle sudden demands when gates switch.
- Beware Floating Inputs – Digital inputs must never be left floating (unconnected) because they can pick up noise and flicker. Always tie unused inputs to a defined logic level (through a resistor or directly). For example, if a gate has two inputs and you only need one, tie the other input to ground (for AND you might tie it to 1 if you want it to pass the other input through). Use pull-up or pull-down resistors (10kΩ is common) if an input should default high or low.
- Use the Right Voltage Levels – Make sure your signals match the family. If you’re using a 5V TTL chip, drive it with 0–5V signals. If a microcontroller outputs 3.3V and you feed it to a 74HCT (TTL-compatible CMOS), that’s okay. But 3.3V to a plain 74HC often works (3.3V is typically enough to be seen as HIGH if Vcc=5V) – check the datasheet Vih spec. When in doubt, use a 74HCT if you have TTL outputs, or a level-shifter chip.
- Observe Power Sequencing – Some logic families don’t like sudden voltage changes on inputs when power is off. The usual rule is: power up and down logic circuits without signals first. That means turn on the power supply, let it stabilize, then apply input signals (or press start). When turning off, remove signals or loads first, then cut power. This avoids weird states.
- Understand Timing – Logic gates take a finite time (propagation delay) to change output after inputs change (e.g. 10ns, 50ns, etc.). At low speeds (human time scales) this isn’t noticeable, but if you make very fast circuits or clocks above a few MHz, these delays can matter. If you tie many gates in series, the delays add up. Also, sequential chips have setup and hold times around clock edges – but for simple projects, just remember “don’t change an input exactly while a clock is arriving.” For beginners, the main takeaway is: avoid cranking inputs faster than a chip’s spec (check clock frequency max).
- Use LED Indicators and Resistors – To debug, it’s common to connect output pins through a resistor (e.g. 330Ω) to an LED or to ground. This shows HIGH/LOW states at a glance. But remember: output pins can typically source or sink only a few milliamps. If driving LEDs, do it with a resistor and ensure total current doesn’t exceed the IC’s fan-out limit (for TTL often 16mA per pin max, but less is safer).
- Logical Tips – Sometimes you can simplify wiring by tying inputs together or using one chip for multiple things. For instance, tying all inputs of a NAND gate together turns it into a NOT gate. A DIP package with 4 gates might allow you to combine two 2-input gates into a single 3-input gate by OR-ing one input with a fixed level, etc. Logic is flexible, and small tricks can save pins.
- Interfacing Different Families – If mixing TTL and CMOS or 5V and 3.3V, remember: TTL outputs can sink a lot of current but only source ~3–3.5V when high. CMOS can usually tolerate floating, but TTL might see a 3V-high as uncertain. Use 74HCT chips or a single resistor or a buffer if needed to safely interface. And never connect two outputs together directly; use diodes or open-collector outputs (if available) for wired-AND logic.
- Testing and Simulators – Before physically wiring, you can use logic simulators (software) or a breadboard with an LED/buzzer setup to test your logic. There are many online logic simulators (e.g. Falstad, Tinkercad Circuits). This helps avoid soldering mistakes.
Putting it in steps, a beginner’s approach could be:
- Step 1: Pick a logic chip (e.g. 74HC08 for an AND gate) and power rails (say 5V).
- Step 2: Connect pin for Vcc to +5V, GND to ground.
- Step 3: Tie any unused inputs to a known state (like connect to ground).
- Step 4: Use jumpers to send signals to the inputs (for example, two wires to a switch or from another part of the circuit).
- Step 5: Observe the output (light an LED or check with a multimeter).
- Step 6: If it doesn’t behave, check for wiring errors, floating inputs, and correct family voltages.
Lastly, remember that logic ICs often need a bit of “circuit discipline.” Always ensure inputs are never left hanging, power supplies are stable, and that you respect the pin functions. With careful wiring and decoupling, these chips are rock-solid – you can chain them into complex networks and they will faithfully execute your logical design.
What’s Next? The Future of Logic ICs
Logic ICs as discrete components are less visible today, but their legacy lives on. Here’s a peek at what’s happening and where logic technology is heading:
- Integration and Miniaturization: Instead of many separate logic chips, modern design packs logic gates into larger chips (microcontrollers, SoCs, FPGAs). The boundaries between “logic IC” and “computer chip” blur. However, the fundamental principles of TTL and CMOS logic still underlie these devices. With each semiconductor generation, we get more gates on a chip (think billions now), faster speeds, and lower power. For hobbyists, this means fewer need for multiple chips – but also more powerful platforms to learn on.
- New Technologies: Researchers are exploring beyond CMOS. Concepts like spintronics, memristors, and even quantum logic are on the horizon. These might eventually become new “logic families” in their own right. For example, companies are experimenting with 3D-stacked logic, and photonic (light-based) logic for super-fast computing. For now, these are mostly in the lab, but one day you might see them in products.
- FPGAs and CPLDs: For those creating custom logic, Field-Programmable Gate Arrays (FPGAs) are the new logic chips – you can program them to act like thousands of logic gates and memory bits. FPGAs are widely used in industry, and even hobby-friendly boards (like the Lattice iCEstick) are available. They show the continued importance of logic design: you can even download a “logic simulator” onto hardware!
- Re-emergence in Education: Ironically, as digital gets more abstracted, educators are circling back to fundamentals. Logic ICs (and simple circuits) are often taught alongside coding to give hands-on experience. Some schools use “open source hardware” like Arduino plus discrete logic to build fun projects.
- End-of-Life and Vintage Revival: A note on chip availability: many classic TTL chips are now obsolete (not mass-produced), but hobbyist suppliers or old stock can still sell them. There’s also a vintage hardware movement: enthusiasts keeping 80s and 90s tech alive often rely on the original logic chips or modern equivalents.
- Computational Logic in Everything: The idea of logic ICs – processing true/false – is expanding into AI and IoT. While an AI chip is not a simple gate chip, the architecture still uses logic primitives. For example, neural networks get mapped onto arrays of gates at the lowest level. And IoT devices often still use simple logic for power-saving modes or basic sensor decision-making.
In summary, the future of logic ICs is both continuing and transforming. We’ll see the continued use of discrete logic in specialized roles, even as most logic functions move inside complex chips. The concept of combining gates to solve problems – the essence of digital logic – remains at the heart of electronics. For a beginner, the good news is that learning on TTL/CMOS chips today gives you a strong foundation for understanding any digital system of tomorrow.
Summary and Tips for Beginners
We’ve covered a lot, so let’s recap the big points in simple terms:
- What are logic ICs? Small chips made of transistors that perform basic on/off decisions. They work with digital signals (0 or 1) to implement logic functions like AND, OR, NOT, NAND, NOR, XOR, etc. You use them by wiring inputs and outputs to a power supply and other circuit elements.
- Why care about them? They are the building blocks of digital electronics. Even if today’s devices use microcontrollers, understanding logic ICs helps you grasp how computers and digital systems work at a fundamental level. They are also practical for many hobby circuits (like making lights blink in patterns, reading buttons, or counting events).
- Key differences – TTL vs CMOS: TTL (old, 5V, more power) vs CMOS (modern, low power, flexible voltage). CMOS is usually better for battery-powered and mixed-voltage projects, while TTL was the old standard (still fun to experiment with!). Always match voltage levels and don’t mix up TTL-only chips with low-voltage systems without checking compatibility.
- Basic types of logic ICs:
- Combinational (instant logic: AND, OR, multiplexers, decoders)
- Sequential (with memory: flip-flops, counters, shift registers)
- Specialized (complex tasks or large functions: ALUs, microcontrollers, FPGAs, etc.)
- Practical tips: Always power the chip correctly (check orientation), tie unused inputs high/low, add a decoupling cap to Vcc/GND, and use appropriate resistors when attaching LEDs or other loads. Use a breadboard or socket for DIP chips. If something doesn’t work, check wiring carefully (it’s almost always a wiring or power issue, not a broken chip).
- Troubleshooting: If a logic circuit is misbehaving, check for floating inputs, ensure the right Vcc, and swap out the chip to see if it’s burned out (chips are usually robust unless shorted). A handy trick is to use a pull-down (10kΩ to GND) so a “button press” reliably goes high to 5V. A multimeter or logic probe can help watch signals as you flip switches.
- Building confidence: Start with very simple gates (one AND gate with two switches and an LED) and verify the truth table. Then try combining gates (e.g. an AND feeding into a NOT to make a NAND). Use online simulators or truth table exercises to predict the output before wiring it. Gradually move to small circuits like a simple 2-bit adder (using one XOR and one AND gate in series) or a traffic light sequencer using flip-flops.
- Be patient: Logic ICs, while straightforward in concept, can be tricky if you rush. Keep paragraphs of 3–5 wires, label your wires, and don’t be afraid to redraw your circuit on paper. It’s normal to make mistakes and learn from them – that’s part of the fun of electronics.
By understanding logic ICs, you gain a toolkit for designing reliable digital circuits. Whether you want to blink LEDs in sync, decode phone key presses, or just understand how a computer adds numbers, these chips are your friends. Embrace the trial-and-error learning: each gate you hook up is like learning a new word in the language of electronics.
Helpful Tools and Resources to Learn More
Here are some suggestions for going deeper and tools that can help you practice:
- Datasheets and Wikipedia: Always the first stop for specifics on a chip. For example, search for the “SN7400 datasheet” or “CD4000 logic family”. Wikipedia has excellent articles on logic families (Transistor–transistor logic, CMOS, etc.) written more technically, which you can use once you have the basics.
- Electronics Kits and Starter Books: Kits like the EFM32B kits or Arduino starter kits often include logic IC components and projects. Beginner-friendly books on digital electronics or Arduino often have sections on gates and flip-flops.
- Logic Simulators: Tools like Falstad’s Logic Circuit Simulator (free online applets) or Tinkercad Circuits allow you to virtually connect gates and see outputs. This is great for testing designs before hardware. Another is Logisim, a free educational simulator where you can build CPU models from gates.
- Breadboarding Tools: If hands-on, invest in a good breadboard, jumper wires, a set of LEDs and resistors, and a reliable power supply (5V and 3.3V rails). A simple multimeter and/or logic probe is invaluable for debugging.
- Online Communities: Websites like the All About Circuits forums, Electronics Stack Exchange, and subreddits like r/Electronics or r/AskElectronics are full of hobbyists who can answer questions or give project ideas.
- YouTube Channels and Tutorials: Channels such as EEVblog, GreatScott!, and Afrotechmods have tutorials on digital logic and working with ICs. They often show live breadboard demos.
- Toolchains (FPGAs): If you get hooked, exploring a simple FPGA dev board (like the ICEStick or TinyFPGA) lets you write your logic in a hardware description language. It’s a step up, but educational.
- Logic IC Finders: Some distributor websites (like DigiKey or Mouser) let you search logic chips by function. Handy if you need a 4-input NAND or a buffer with a certain voltage.
In summary, use trusted datasheets for facts, simulators for planning, and breadboard practice for hands-on learning. Start with simple circuits, then gradually build to more complex ones (like counters or small state machines). Keep a small logic reference on hand (a truth table sheet or so), and soon you’ll be fluent in the language of gates.
Good luck, and enjoy bringing those zeros and ones to life in the real world!

