
Boost your sound system with the TDA7379 – a high-performance dual-bridge audio amplifier IC ideal for car and home audio projects. Delivers up to 35W x 2 or 18W x 4 output with built-in protection features.
The TDA7379 is incredibly simple to implement. With only a few external components like filter capacitors and resistors, you can quickly integrate it into any amplifier design. It supports both dual-bridge and quad single-ended configurations, depending on your output needs.
You can also get the TDA7379 from Amazon. Check the latest price of the TDA7379 on Amazon now…
If you are building a custom car audio system, crafting a DIY Bluetooth speaker, or repairing a home stereo amplifier, the TDA7379 is your go-to solution for clear, distortion-free sound. This dual-bridge audio amplifier IC by STMicroelectronics offers impressive flexibility and performance in a compact Multiwatt15 package.
Delivering up to 2 x 35W in bridge mode or 4 x 18W in single-ended configuration, the TDA7379 supports both stereo and quad-channel applications. It’s optimized for 12V systems, making it especially ideal for automotive electronics, yet versatile enough for home audio builds. With built-in protection circuitry and low distortion output, it’s an audio amplifier IC that ensures both safety and fidelity.
Key Features of the TDA7379 IC
Flexible Output Modes
- 2 x 35W @ 4Ω (Bridge Mode)
- 4 x 18W @ 4Ω (Single-Ended Mode)
Wide Operating Voltage
- Works efficiently from 8V to 18V (max 28V)
High Audio Fidelity
- Ultra-low Total Harmonic Distortion (THD < 0.1%)
- Excellent Signal-to-Noise Ratio (> 90 dB)
Built-In Protections
- Short circuit, thermal shutdown, and load dump
- Output DC offset protection
- Reverse polarity safety
Mute and Standby Functions
- Saves power and prevents pop noise during startup/shutdown
Efficient Heat Dissipation:
- Multiwatt15 package enables direct mounting on heatsinks
Technical Specifications of the TDA7379 IC
| Specification | Value |
| Output Power (Bridge) | 2 x 35W @ 4Ω |
| Output Power (SE Mode) | 4 x 18W @ 4Ω |
| Total Harmonic Distortion | < 0.1% @ 1kHz, 1W |
| Signal-to-Noise Ratio | > 90 dB |
| Supply Voltage Range | 8V – 18V (Max 28V) |
| Standby Current | < 100 μA |
| Operating Temperature | -40°C to +150°C |
| Package Type | Multiwatt15 |
Applications of the TDA7379
- Custom-built car audio amplifiers
- DIY Bluetooth or speaker systems
- Refurbishing home stereo systems
- School and college electronics projects
- Professional-grade multichannel audio systems
What’s in the package and how to use the TDA7379 IC
The package contains 1 × Original TDA7379 Audio Amplifier IC – (Heatsink not included – available separately in our store)
The TDA7379 is incredibly simple to implement. With only a few external components such as filter capacitors and resistors, you can quickly integrate it into any amplifier design. It supports both dual bridge and quad single-ended configurations, depending on your output needs.
For best performance:
- Use a heatsink with a thermal compound to manage heat.
- Implement mute/standby controls using basic logic levels.
- Ensure a stable 12V power supply (typical in automotive setups).
Need help? Contact our support or check the sample schematic diagram and pinout table below for a full wiring diagram and tutorial.
Downloadable TDA7379 PDF Datasheet
Kindly click on the link ahead to open, view, and download the TDA7379 Datasheet PDF.
Schematic Diagram
The sample TDA7379 schematic diagram below depicts a bridge audio output mode. It has two audio outputs.

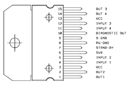
Pin Configuration and Pinout Image
The pinout image below depicts the pin configuration of the TDA7379 IC.

The TDA7379 comes in a Multiwatt15 package with 15 pins. Here’s the pinout for proper integration:
| Pin Number | Pin Name | Description |
| 1 | OUT1 | Output 1 |
| 2 | OUT2 | Output 2 |
| 3 | VCC | Positive Supply Voltage |
| 4 | IN1 | Non-Inverting Input 1 |
| 5 | IN2 | Non-Inverting Input 2 |
| 6 | SVR | Supply Voltage Ripple Rejection |
| 7 | ST-BY | Standby/Mute Control |
| 8 | PW-GND | Power Ground |
| 9 | S-GND | Signal Ground |
| 10 | DIAG | Diagnostics Output |
| 11 | IN4 | Non-Inverting Input 4 |
| 12 | IN3 | Non-Inverting Input 3 |
| 13 | VCC | Positive Supply Voltage |
| 14 | OUT4 | Output 4 |
| 15 | OUT3 | Output 3 |
Note: Always consult the datasheet to confirm pin assignments, especially when designing a PCB.
Additionally, INx inputs are connected to the positive (non-inverting) terminal. The inverting inputs are internally connected.
Why Buy the TDA7379 from Dukatronic?
- Based in Kenya – Fast local shipping and easy access to components
- Carefully sourced from trusted global suppliers
- Well-packaged to protect against static and shipping damage
- Support from electronic technicians who use the components
Buy on Amazon
You can also get the TDA7379 from Amazon. This applies to those in Kenya and more to you that is located abroad. Check the latest price of the TDA7379 on Amazon now…
Customer Reviews
“I used this to revive an old car stereo. Amazing performance for the price.” – Joseph, Nairobi
“Crystal clear sound. Very easy to use even for a beginner.” – Mercy, Mombasa
Ready to Power Up Your Audio Project?
Don’t settle for weak or distorted sound—upgrade to the reliability and performance of the TDA7379 audio amplifier IC today. Whether you’re building a custom car stereo, enhancing a home speaker system, or prototyping an audio project, this dual bridge IC delivers the clean power and protection features you need. Order now from Dukatronic, your trusted electronics parts supplier in Kenya, and enjoy fast local delivery, original components, and expert support every step of the way. Stock is limited, so grab yours today and bring your audio ideas to life!
Check out more Integrated Circuits from our Integrated Circuits Shop and also check out other related TDA ICs below…
